
图片来源于网络,如有侵权,请联系删除
证券之星消息,根据天眼查APP数据显示东箭科技(300978)新获得一项实用新型专利授权,专利名为“一种车辆及踏板”,专利申请号为CN202422825636.1,授权日为2025年10月24日。
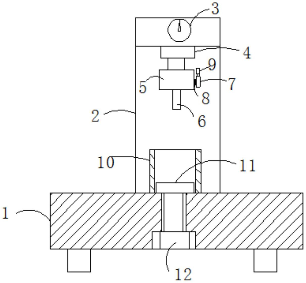
专利摘要:本申请涉及一种车辆及踏板。该踏板包括面板、连接组件和举升件,连接组件的一侧与车辆的底盘连接,且连接组件与面板连接,举升件装配于连接组件上,并向背离车辆的底盘的一侧延伸,在车辆被举升机器举升时,举升机器抵接在举升件背离车辆的底盘的一端。通过上述方式,本申请提供的踏板能够使得车辆直接被举升机/千斤顶举升,大大提高维修的可操作性。

图片来源于网络,如有侵权,请联系删除
今年以来东箭科技新获得专利授权58个,较去年同期增加了1.75%。结合公司2025年中报财务数据,今年上半年公司在研发方面投入了4019.34万元,同比减7.59%。
通过天眼查大数据分析,广东东箭汽车科技股份有限公司共对外投资了14家企业,参与招投标项目17次;财产线索方面有商标信息289条,专利信息1311条,著作权信息60条;此外企业还拥有行政许可66个。
数据来源:天眼查APP
以上内容为证券之星据公开信息整理,由AI算法生成(网信算备310104345710301240019号),不构成投资建议。





